Four SDC-cardioids are very versatile
Four Small-Diaphragm-Condensor microphones with cardioid pattern
... to be precise.
Why are we mentioning this here? Because they are extremely versatile and can be used to set up various systems.
You can use the four microphones in a cross configuration to make ITU 5.0 surround recordings, or decide in post that this is a 2D FOA system.
Just as you like. And everything can be easily recorded with a standard four-channel handheld recorder. How does appeal to you?
You want to know how to do it? - You are welcome!

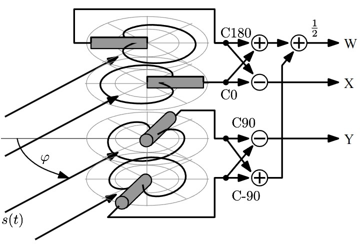
With this DMS (Double M/S System), you can record four tracks of sound that can be rendered into ITU 5.0 surround. Here, we will explain how to do it.
But this can easily be transformed into a 2D First Order Ambisonic system. This shopping list show you what is needed to build such a system.
The main difference is that these microphones are stacked on top of each other to capture sound in a timely, coherent manner, rather than being arranged in pairs.
2D First Order Ambisonics with four SDC cardioids


(source: "Ambisonics" book)
We provide a picture of one of our solutions here, to get you a "real life example".
It shows a setup with just one microphone stand, which makes it more mobile and versatile. Depending on your recording situation, you may also use a camera-tripod or a light-stand. Just as you like.
Just keep an eye on the maximal load of your stand.
This is an alternative to the three-figure-of-eight FOA system setup described in the article: "FOA in Native B-Format." We haven't conducted a comparison between the two systems yet, but we don't expect significant differences.
But as you can see here already, the four capsules of the microphones are on the same z-axys and are coherent. The "decoding" could be done easily by hand, even on an analog console, if you have to,
Now comes the next challenge: You want to record a nice surrounding atmo, BUT want to record some "good vibrations" of a tree, of some animals passing by or ... what ever require a contact microphone. What a pitty! Your handheld recorder offers "only" four channels to record on.
2D FOA with three SDC cardioids and a contact microphone
Okay, one thing upfront: The more microphones there are to pick up sounds, the better, but sometimes, in the middle of nowhere, this comes in quite handy:


The setup is not hard to do. Although, this is a little bit more complex in post, but we will show you in an article how to do it in a DAW like Reaper. Stay tuned.
The big advantage is, that you now have a channel on your handheld-recorder to connect a contact microphone to it, for example or an extra omni for much more bass.
Agreed, this is not the best FOA solution possible, but as said before, if you are in the middle of nowhere and need both an atmo AND a contact microphone this will be an alternative.
Always be aware, that these setups are NOT providing any height information. But there are many, many recording situations, where you don't need it.
Still great - The IRT cross
Even it has been invented some decades ago, it is still a good tool, if you want to have a nice and balanced atmo with just four SDC microphones.

This picture shows an IRT cross, where the microphone capsules are about 25 cm away from each other, which is the desired distance of an IRT cross made with cardioid microphones. However, this distance can be adjusted according to personal preference or the recording situation.
We recommend practicing a little and gaining some experience before recording amazing sounds.
If you have hyper-cardioid microphones, you can decrease the square to 20 cm on each side. The "atmo" may sound tighter and more defined, but this depends on the situation.
In case you like this and want to know more details, please follow THIS link.

